星空官方站网站

在线留言 收藏本站 网站地图欢迎进入星空官方站网站-星空(中国) 网站!

20年专注流体测控设备,畅销全球近160个国家稳定性好、库存充足、支持定制

服务热线:17530107806

星空官方站网站-星空(中国)
星空官方站网站
多普勒超声波流量计和时差式超声波流量计的区别

多普勒超声波流量计和时差式超声波流量计的区别

目前我们见到的超声波流量计有两种类型的超声波流量计,一种为多普勒超声波流量计,另一类为时差式超声波流量计。那么这两种超声波流量计有什么区别吗?大家一起和星空官方站网站-星空(中国) 一块来看看吧。第一种:多普勒超声波流量计…
插入式涡街流量计价格

插入式涡街流量计价格

想要确定插入式涡街流量计价格定位,除了需要了解整个行业的报价之外,还要确定各种不同厂家的生产加工情况,因为很多因素都会导致价格定位出现正常的浮动,为了保证综合性价比达到更高标准,满足在实际应用过程中的…
插入式涡街流量计功能异常该怎么办?

插入式涡街流量计功能异常该怎么办?

插入式涡街流量计虽然具有稳定的使用功能,在性能方面很卓越,但难免在实际工作中会出现一些故障问题,尤其是很容易出现功能异常等情况,在这种情况下就会影响到正常的工作流程,如果想避免造成极大损失,建议要注意…
电磁流量计传感器测量的传统方法是什么?

电磁流量计传感器测量的传统方法是什么?

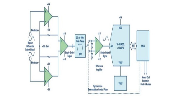
电磁流量计传感器测量的传统方法大致上是模拟式—具有高输入阻抗和高输入共模抑制性能的前置放大器用来应对传感器漏电流效应,然后是三阶或四阶模拟带通滤波器和采样保持级,最后是模数转换。典型模拟前端方法如下图…
电磁流量计的工作原理是什么?

电磁流量计的工作原理是什么?

随着全球人口增长,人类消耗着大量的水,用水量会越来越大。流量计至关重要,既能监测生活废水,也是污水处理厂过程控制系统不可或缺的一部分。流量计还被用于许多工业控制过程,包括化学/制药、食品饮料、纸浆造纸…

星空官方站网站-星空(中国) 新闻资讯

咨询热线

17530107806